• Lieferung in 1 - 2 Tagen
  • 100 Tage kostenfreie Rückgabe
  • Versand aus Deutschland
  • Wir liefern Werkzeug seit 2015
  • +1 Mio. Bestellungen
Benny Lucas

Tim und +781.246 folgen uns auf

Descrizione

Volume di consegna:
- 1x serratura da infilare con telaio tubolare SSF panic D DIN verso l'esterno destro

Descrizione del prodotto:
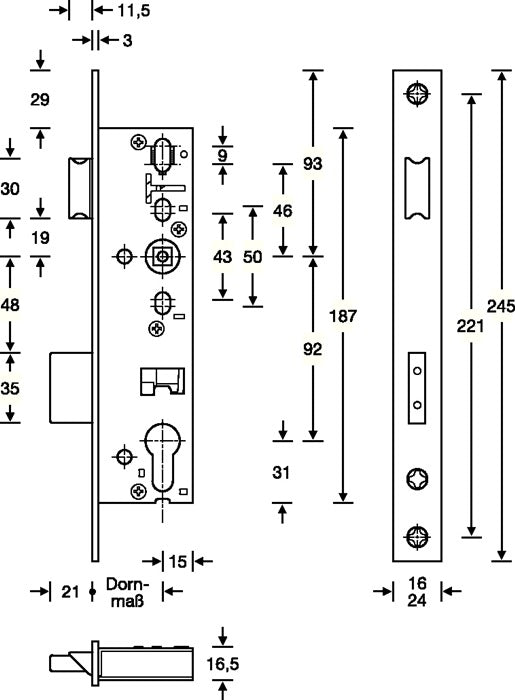
Funzione di passaggio D per porte con telaio a un'anta - Versione APD (dopo l'apertura dall'interno, la porta rimane accessibile in entrambe le direzioni finché non viene nuovamente bloccata) - Cassa della serratura in acciaio, chiusa in alto e in basso - Foro di montaggio continuo sopra il seguitore della serratura - Manicotti di protezione contro i trucioli - Battuta singola con catenaccio robusto - Corsa del catenaccio 21 mm - DIN a sinistra e a destra verso l'interno e verso l'esterno - Predisposizione per cilindro profilato, con modifica - lunghezza della piastra 245 mm - seguitore spaccato 9 mm - scrocco con silenziatore - catenaccio nichelato - piastra in acciaio inox al centro - lunghezza della piastra 245 mm - inclinata - arretramento 15 mm - chiave di classificazione secondo EN 12 209 disponibile - testato e certificato secondo EN 1125 e EN 179 in conformità al certificato di conformità. certificato di conformità

Dati tecnici:
- Bullone: nichelato
- Arretramento: 15 mm
- Standard: DIN 18251-2
- Cassa della serratura: chiusa in alto e in basso
- Catenaccio: 1 giro
- Corsa del catenaccio: 21 mm

In caso di uso commerciale, si prega di osservare le norme edilizie!

Forma del prodotto

SSF Serratura da infilare con telaio tubolare D DIN verso destra ( 3324024273 )

SKU: 128673 EAN: 4012432601386
    €132,82
    IVA incl., spese di spedizione escl.
    Direkt ist günstiger für Dich

    Preisvergleichs-Portale und Suchmaschinen verlangen bei jedem Kauf hohe Gebühren – oft über 20 % des Verkaufspreises. Diese Kosten zahlen am Ende immer die Kunden. Wir gehen einen anderen Weg: Statt Werbebudgets an große Plattformen zu zahlen, investieren wir lieber in faire Preise, BROpoints, Geschenke und exklusive Bestpreis-Deals, die Du nur direkt bei uns findest. Ohne Zwischenhändler. Ohne Aufschläge. Direkt für dich.

      100 Tage kostenfreie Retoure 100 Tage kostenfreie Retoure
      • American Express
      • Apple Pay
      • Google Pay
      • PayPal
      • Klarna
      • Mastercard
      • +12 weitere
      • Venditore
      • Condizione  Nuovo prodotto
      Smarte Produktberatung
      Rechnung, Versand & GPSR

      Versand & Rechnung durch: Dinotech e.K.

      Persona responsabile per l'UE (GPSR) Operatore economico stabilito nell'UE che garantisce che il prodotto è conforme alle normative richieste.
      • info@ssf.de
      • +493429673300
      • Germany
      • 4539 Groitzsch
      • Am Pappelhain 10
      • Sächsische Schlossfabrik GmbH

      Descrizione

      Volume di consegna:
      - 1x serratura da infilare con telaio tubolare SSF panic D DIN verso l'esterno destro

      Descrizione del prodotto:
      Funzione di passaggio D per porte con telaio a un'anta - Versione APD (dopo l'apertura dall'interno, la porta rimane accessibile in entrambe le direzioni finché non viene nuovamente bloccata) - Cassa della serratura in acciaio, chiusa in alto e in basso - Foro di montaggio continuo sopra il seguitore della serratura - Manicotti di protezione contro i trucioli - Battuta singola con catenaccio robusto - Corsa del catenaccio 21 mm - DIN a sinistra e a destra verso l'interno e verso l'esterno - Predisposizione per cilindro profilato, con modifica - lunghezza della piastra 245 mm - seguitore spaccato 9 mm - scrocco con silenziatore - catenaccio nichelato - piastra in acciaio inox al centro - lunghezza della piastra 245 mm - inclinata - arretramento 15 mm - chiave di classificazione secondo EN 12 209 disponibile - testato e certificato secondo EN 1125 e EN 179 in conformità al certificato di conformità. certificato di conformità

      Dati tecnici:
      - Bullone: nichelato
      - Arretramento: 15 mm
      - Standard: DIN 18251-2
      - Cassa della serratura: chiusa in alto e in basso
      - Catenaccio: 1 giro
      - Corsa del catenaccio: 21 mm

      In caso di uso commerciale, si prega di osservare le norme edilizie!

      Warum Kunden uns vertrauen

      Tausende Handwerker und Heimwerker kaufen regelmäßig bei uns ein. Ihre Erfahrungen und Bewertungen helfen dir, die richtige Entscheidung zu treffen.

      • Über 1 Mio. Bestellungen seit 2015 📦
      • Versand aus Deutschland 🇩🇪
      • 100 Tage kostenfreie Retoure 🔙

      Deine Historie

        Login

        Hai dimenticato la password?

        Non hai ancora un conto?
        Creare un profilo